由中國工業合作協會家居整裝分會、陶瓷資訊、廚衛資訊、陶衛網聯合主辦,中國陶瓷總部/中國巖板新材展示采購基地協辦的“綠色低碳 基業長青”2022中國建陶產業綠色智造論壇在佛山隆重舉行。
會上,摩德娜科技產品總監上官輝龍發表了《新一代建陶熱工設備解決方案》的主題演講。

▲摩德娜科技產品總監上官輝龍
以下為演講實錄:
新一代建陶企業在行業緊縮的大環境下,對熱工設備在效益、節能減排、環保安全、智能先進的有新的要求。摩德娜公司在今年8月份,和印度公司簽訂了第一套氫能應用窯爐設備,希望將來能將此案例使用成功的經驗再引入國內,為國內陶企在減排方面做出貢獻。
下面就我們公司的熱工設備在能耗節約(余熱回收),智能化及綠色能源利用方面做一些總結匯報。
PART 01
能耗新突破
為陶瓷企業爭取效益是我們公司的首要任務,先匯報一下我們公司單窯產量以及能耗的新突破:
430米窯爐,微粉玻化磚產量95000平方/天,燒成周期只有13分鐘;
340米窯爐,拋釉磚800×800×9mm,產量75000平方/天,燒成周期13分鐘左右。
國內微粉磚窯爐能耗低于1.1立方天然氣/平方磚,我們在印度600×1200×8mm全拋釉磚窯爐能耗已經降到0.97立方天然氣/平方磚了。
燒成并不是說越快越好,周期越快會帶來其他的問題。比如窯爐出來的出磚溫度很高,將近500度,代表著磚坯帶走的顯熱損耗達到40%,大量的顯熱無法利用,白白的浪費掉。
隨著環保壓力的要求越來越高,我們和客戶談一些技術方案的時候,客戶提出的要求除了更加節能外,在排放方面的要求也越來越高。在此要求下,我們提出陶瓷車間的余熱回收新思路,以不浪費一點可用的熱量作為目標,同時控制車間總排放的氧含量不超過16%。
隨著窯爐產量越來越大,窯爐出磚的溫度越來越高,出磚帶走的顯熱越多的時候(可回收熱量比例減少),干燥窯的長度沒有變,干燥周期變短,磚坯干燥工藝對熱量需求提高,窯爐提產的矛盾體現為干燥窯的能量不夠。
隨著多層干燥和換熱器的應用,干燥窯不再使用窯爐廢氣時,車間整體排放的氧含量實際上是上升的。對此,我們提出的窯爐生產車間的余熱回收新思路:窯爐最后段的尾冷冷卻風排出風機時最多100-120度,這部分的余熱風的溫度偏低,利用起來很尷尬,送到干燥窯會起到降溫的效果的反作用,送去脫硫塔,又會使脫硫塔氧含量超標,其他設備如釉線干燥,主干燥的廢氣排放也存在同樣的問題。
如下圖所示,我們在窯爐的冷卻尾段設置兩段冷卻,將最后段的冷卻風排放出來后再打入前一段作為冷卻風的來源,不但使得原后段冷卻風的溫度提升,同時還可以解決提產后前段磚坯溫度提升,強打冷風導致的磚坯開裂缺陷的問題,也有效降低了磚坯的出窯溫度,提高了余熱回收的比例,也使得這部分的余熱冷卻風溫度達到可以給干燥使用的條件。其他設備如釉線干燥,主干燥后段排放的熱風則可以回收至熱交換器作為熱交換的初始熱風來源,實現干燥的排放和供熱的內循環,又解決了換熱器效率不高導致的熱源溫度和風量不足的缺陷。
通過這種處理方式窯爐尾部以及干燥窯尾部高氧含量的廢氣回收利用,脫硫塔的氧含量大量的減少,也可以使干燥窯不用開燃燒機。生產巖板的干燥窯和窯爐的匹配非常難的,因為巖板的產量小,而且厚薄不均,干燥的熱量始終難以保證,使用這個整體余熱回收系統后,可以實現干燥窯完全不開燃燒機,實現“零能耗”。
通過這套余熱回收系統,我們在肇慶某陶企800×2600×9mm規格的巖板產品能耗,做到了1.23立方天然氣/平方磚,和同行相比非常低了。
PART 02
智能化的燒成管理系統
窯爐智能化燒成管理系統除了集成一般安全和操作的基礎功能外,增加了生產管理和空窯管理系統。
生產管理系統可以按時提示用戶窯爐配件更換或維護、窯爐保養時間,用戶需要做維護保養的閉合管理,減少不必要的生產事故的發生。
空窯管理如下圖所示,比如A產品和B產品,需要不同的燒成溫度曲線。系統會根據A產品和B產品在窯爐里面的位置匹配相應的溫度。

PART 03
綠色氫能窯爐發展
11月7日,摩德娜公司和霍尼韋爾公司在上海進博會達成了戰略協議。我們總經理李展華表示,“霍尼韋爾在各行各業的燃燒應用上積累了非常豐富的經驗,氫能應用的研發也走在行業的前端,在歐洲進行了大量的試驗,已經有氫能燃燒系統在投入使用,從20%的混氫到100%的純氫的燃燒都取得了突破。我們摩德娜在建陶燃燒、硅酸鹽產品燃燒領域積累了非常豐富的經驗,我非常有信心跟霍尼韋爾合作一定會取得成功。”
我們選擇的是混氫的技術線路,氫氣的燃燒產物只有水,氫是百分百可以燃燒的,如使用其他的氫載體,如有不可燃成分,其燃燒產物都會帶走顯熱,增加能耗,增加最終的使用成本,實際上只達到只減排目的,但不節能。比如以前水煤氣的能耗比天然氣的能耗高,因為水煤氣有一部分的氮氣不能燃燒,會帶走熱量,這一部分就是完全浪費的熱損失。
氫氣特性
氫質量熱值:140MJ/kg(33600KCal/kg)(天然氣質量熱值47MJ/kg(11280KCal/kg))
氫體積熱值:12.6MJ/kg(3024KCal/Nm3) (天然氣體積熱值34.6MJ/kg(8300KCal/kg))
常壓下液化點:-253℃
常壓下凝固點:-259℃
工況密度:90g/Nm3
空氣中的燃燒界限:5%~75%,(空氣中的爆炸極限:4.0%~74.2%)
氫是最理想和完美的能源,但其推廣利用,有以下難點需要克服:
1、爆炸極限范圍廣:4.0%~74.2%,危險系數高;
2、成本高:
現在氫氣的加氫站60元/公斤。理論上電解1公斤的水,氫耗4~5度電,包括損耗會達到6度左右,按照市電價格0.6元/度,成本是3.6元。一公斤的水只能產品0.1公斤的氫氣,相當于0.5立方天然氣的熱值,光電的成本就達到了天然氣的2倍價格了。
以日產量3萬方拋釉磚產量的窯爐為例,天然氣每天耗氣量約為48000立方/天,按照3.5元的單價,每天花費16.8萬元。按當量換算為氫氣,則需要約68.6萬元,增加了3倍的成本。
3、儲存、運輸困難:氫液化點和固化點達到-250多度,已經接近宇宙的絕對零度了,導致它運輸儲存非常困難的(成本極高,氫分子壓縮到一定程度,氫會以原子的形式滲入到金屬內部,在金屬內部重新結合成分子,在局部行程極大的壓力,使金屬皺折或鼓包的‘氫脆’現象);
4、產業鏈:到目前為止我國加氫站才250余座(日加氫500公斤,投資成本為1000多萬,維護成本200多萬,大多為虧損狀態),主要用于民用,離工業化使用還有相當長的距離。
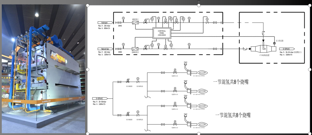
摩德娜窯爐氫能的應用:
下圖左邊是我們窯爐的模型,右邊是新能窯爐燃燒系統的原理圖。兩套燃氣控制系統,一套天然氣,一套氫氣,氫氣在混氫的燃燒系統有一個比例控制器,難點在于比例控制這一塊。

下圖是不同天然氣和氫氣比例的燃燒狀況,工業氫氣里面有一些顯色劑,所以火焰看上去顯黃色。氫氣的燃燒非常短,100%的氫氣基本看不到火焰。
以我們3萬方窯爐為例,50%的氫氣和50%的天然氣,每天減少排放量將近20噸,一年333天,減少6700噸的二氧化碳排放量。
氫作為燃料后,窯爐面臨的問題:
1、火焰溫度升高,對燒嘴爐膛的要求高;因為氫氣的火焰2800度,比天然氣還要高,火焰會隨著氫的比例而縮短,爐膛需承受很高的溫度,對窯墻的材質的要求更高,窯墻要加強隔熱,需要選用更高標準的耐火材料。
2、燃氣輸送管道的氣密性等級要求提高;
3、燃燒產物水分大幅度增加,使煙氣“露點”升高,更容易出現窯頂落臟現象,脫硫管道沿程滴水增加。對煙氣換熱等熱量回收帶來一定的難度挑戰;
4、如采取地制氫,除了投入設備,穩定的制氫量很重要,不能影響窯爐的連續運轉。
總結:
氫能在推廣上還存在相當多的技術難點未能突破。摩德娜公司在印度項目已經做了示范性項目,在氫的應用端做好充分的功課,為碳達峰、碳中和做好充分的準備。希望我們提出燒成車間不浪費每一度可以使用熱量的解決方案能為更多的陶企的節能減排服務。
手機瀏覽陶衛網









